By Renesas / Intersil 1393
ISL85033IRTZ-T is a power management integrated circuit. The ISL85033IRTZ-T is a synchronous step-down (buck) converter used to convert a high input voltage to a lower output voltage.
The PWM controller in the ISL85033IRTZ-T drives the internal switching n-channel power MOSFET and requires an external Schottky diode to generate the output voltage. The integrated power switch is optimized, with excellent heat dissipation performance and an output current of up to 3A. The PWM regulator switches at point a with a default frequency of 500kHz, which can be programmed by the user or synchronized from 300kHz to 2MHz.
The ISL85033IRTZ-T utilizes peak current mode control, providing flexibility in component selection and minimizing solution size. Protection features include overcurrent, UVLO and thermal overload protection.

Ⅰ.Specifications of ISL85033IRTZ-T
•Output current:3 A
•Function:step down
•Topology:Buck
•Length:4 mm
•Width:4 mm
•Height:0.75 mm
•Output Configuration:Positive
•Output type:adjustable
•Minimum operating temperature:-40℃
•Maximum operating temperature:+85℃
•Number of output terminals:2 Output
•Installation style:SMD/SMT
•Product Category:Switching Regulator
•Package/Case:TQFN-EP-28
•Input voltage(minimum):4.5 V
•Output voltage:800 mV to 28 V
•Input voltage(maximum):28 V
•Switching frequency:300 kHz to 2 MHz
Ⅱ.Features of ISL85033IRTZ-T
•Power-on undervoltage detection
•Current mode control
•Independent power supply good detection
•Internal 2ms soft-start time
•Wide input voltage range of 4.5V to 28V
•Selectable in-phase or out-of-phase PWM operation
•Overcurrent/short circuit protection, thermal overload protection, UVLO
•Adjustable switching frequency range from 300kHz to 2MHz
•Independent, sequential, proportional or absolute tracking between outputs
•Adjustable output voltage, continuous output current up to 3A
•Integrated power switch and synchronous rectifier: ISL85033IRTZ-T may integrate power switch and synchronous rectifier to improve efficiency and simplify circuit design.
•Integrated compensation network: Some models integrate a compensation network to help simplify circuit design and stability.
•High efficiency: Power converters are usually designed for high efficiency to minimize power consumption and reduce heat generation.
•Buck Converter: ISL85033IRTZ-T is a buck converter used to convert high input voltage to lower output voltage.
Ⅲ.Common application fields of ISL85033IRTZ-T
1.Communication equipment: ISL85033IRTZ-T buck converter can be used to provide various power requirements in communication equipment, such as base stations, radio frequency modules, communication interfaces, etc. The ISL85033IRTZ-T buck converter has the advantages of high efficiency, low power consumption, and high reliability, which can ensure the stable operation of communication equipment and extend the service life of the equipment.
2.Industrial automation: ISL85033IRTZ-T In industrial automation systems, various controllers, sensors, actuators and other equipment require stable power supply to ensure their normal operation. As an efficient power management chip, the ISL85033IRTZ-T buck converter can meet the power needs of these devices and provide stable and reliable power supply. ISL85033IRTZ-T has overcurrent, overvoltage, undervoltage and other protection functions, which can effectively protect the safety of industrial automation equipment.
3.Computers and servers: ISL85033IRTZ-T is used to provide stable power supply for processors, memories, interface chips and other components. The ISL85033IRTZ-T buck converter has efficient power management capabilities and low power consumption characteristics, which can meet the power supply needs of computers and servers. It can provide stable output voltage and current.
4.Medical equipment: medical sensors, monitoring equipment and other medical equipment that require stable power supply.
5.Industrial power module: ISL85033IRTZ-T is used as power module for various industrial equipment, including industrial robots, monitoring systems, etc. It can provide strong guarantee for the stable operation of industrial equipment and improve the performance and reliability of the equipment.
6.Consumer electronics: Portable electronic devices, cameras, audio equipment, etc. require small and efficient power management.
7.Automotive electronic systems: Automotive electronic devices such as in-vehicle entertainment systems, in-vehicle navigation, and driving assistance systems that require efficient power management.
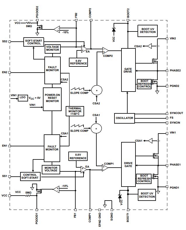
Ⅳ.Functional Block Diagram of ISL85033IRTZ-T

The working principle of ISL85033IRTZ-T is mainly based on PWM (Pulse Width Modulation) control technology. The PWM controller drives the internal N-channel power MOSFET and requires an external Schottky diode to generate the output voltage. The integrated power switch is optimized for excellent thermal performance and output current capability. The input voltage range of ISL85033IRTZ-T is 4.5V to 28V, which can meet the application requirements of various point-of-load applications. At default frequency, the PWM regulator switches at 500kHz, but can be programmed or synchronized from 300kHz to 2MHz according to the user's needs.
Ⅴ.Electrical Specifications of ISL85033IRTZ-T

Ⅵ.ISL85033IRTZ-T pin configuration
•Pin 1 (VIN): Input supply voltage. Connect to power supply.
•Pin 2 (SW): Switch node. Connect to inductor or output power supply.
•Pin 3 (GND): Ground. Connect to system ground.
•Pin 4 (FB): Feedback pin. Connect to feedback resistor to adjust output voltage.
•Pin 5 (EN): Enable pin. Used to enable or disable the device. The switching state of the device is usually controlled by pulling this pin high or low.
•Pin 6 (SS/TR): Soft start/tracking pin. Adjust the soft-start time or start tracking function with an external capacitor.
•Pin 7 (PG): Power good pin. Used to indicate that the output voltage has stabilized.
•Pin 8 (BST): Pin for the high-side MOSFET. Connect to the high-side switching MOSFET.
•Pin 9 (LGATE): Pin for the low-side MOSFET. Connect to the low-side switching MOSFET.
•Pin 10 (PHASE): Phase pin. Used to synchronize the clocks of multiple switching power supply devices.
•Pin 11 (COMP): Compensation pin. Connects to an external compensation network for stabilizing the control loop.
•Pin 12 (VCC): Internal supply voltage. Connect to the output capacitor for powering internal circuitry.
Ⅶ.Protection function of ISL85033IRTZ-T
1.Thermal management: ISL85033IRTZ-T usually has some thermal management features to ensure that the appropriate temperature is maintained during operation. This could include a thermal shutdown feature that automatically reduces output power or shuts down the output to lower the temperature when the chip temperature gets too high. Common thermal management features include:
•Thermal shutdown function: When the chip temperature reaches a certain threshold, the thermal shutdown function can automatically reduce or shut down the chip's output power. This prevents the device from overheating, thus protecting it from damage.
•Thermal design: The physical design of the device, including its packaging and layout, considers thermal efficiency. For example, using heat sinks or a more efficient thermal layout can help devices work better at high temperatures.
•Temperature monitoring: The device is equipped with a temperature sensor for real-time monitoring of the temperature of the chip. This way, the device can take action before the temperature gets too high.
2.Over-temperature protection: Over-temperature protection is a protective measure to prevent the ISL85033IRTZ-T temperature from rising beyond a safe level. When the temperature of ISL85033IRTZ-T reaches the set upper limit, the over-temperature protection function may be activated to automatically reduce the output power or turn off the output to prevent the device from overheating.
3.Overcurrent protection: Overcurrent protection is a protection mechanism used to prevent the current from exceeding a set safety range. ISL85033IRTZ-T may have an overcurrent protection function to ensure timely disconnection of the circuit in case of abnormal load or short circuit to prevent damage to the device and system.
Ⅷ.Application of ISL85033IRTZ-T
1.Base station power management: Communication base stations usually require stable power to maintain wireless communication coverage. Using the ISL85033IRTZ-T high-efficiency buck converter can ensure the stable operation of the base station's power system, thereby providing uninterrupted communication services.
2.Communication interface power supply: In some communication equipment, in addition to the main processor and radio frequency module, it is also necessary to provide power for various communication interfaces (such as UART, SPI, I2C, etc.). ISL85033IRTZ-T can provide the required power for such interfaces to ensure the stability and reliability of data transmission.
3.RF module power supply: In wireless communication equipment, the RF module is responsible for sending and receiving signals. The precise voltage control and high efficiency of ISL85033IRTZ-T can provide a stable operating voltage for the RF module, ensuring signal quality and transmission reliability.
4.Flexible voltage regulation: ISL85033IRTZ-T supports a wide range of input voltages and programmable output voltages, allowing it to adapt to different power requirements and voltage specifications, providing designers with greater flexibility.
5.Miniaturization and high efficiency: ISL85033IRTZ-T adopts a compact package and takes up little space, making it easy to integrate in compact communication equipment. At the same time, its high efficiency helps reduce cooling requirements, making the device more reliable and energy-efficient.
6.Integrated protection functions: ISL85033IRTZ-T integrates protection functions such as over-current protection, under-voltage lockout (UVLO) and thermal overload protection, which can automatically take measures when abnormal conditions occur to protect communication equipment from damage.
Frequently Asked Questions
1.How does ISL85033IRTZ-T manage thermal considerations?
ISL85033IRTZ-T may incorporate thermal protection mechanisms, such as reducing power output or shutting down, to prevent overheating under high-temperature conditions.
2.What are the key features of ISL85033IRTZ-T that make it suitable for power management?
Key features may include a wide input voltage range, high efficiency, overcurrent protection, thermal management, and a compact design.
3.Does ISL85033IRTZ-T have overcurrent protection, and how does it work?
Yes, ISL85033IRTZ-T typically features overcurrent protection, which safeguards the device by limiting the output current during excessive load conditions.