By Pulse Electronics 970
The H1102NL is an electronic transformer that is generally classified as a magnetic component. It is mainly used in electronic circuits to achieve functions such as signal isolation, impedance matching and filtering. This type of transformer is commonly used in telecommunications, networking equipment, and other electronic equipment to handle data and signal transmission.
A H1102NL transformer is typically a magnetic component with multiple windings that transforms an input signal into a desired output signal while providing electrical isolation. This type of transformer is typically used to transmit signals, isolate ground loops, match impedances between different circuits, or perform other similar functions in communications and data transmission.
Ⅰ.Functions of H1102NL
1.Signal isolation: Electronic transformers are often used to achieve signal isolation in telecommunications and network equipment. This isolation feature prevents interference between different circuits and improves the overall stability and reliability of the device. By converting voltage or current between circuits, H1102NL can effectively achieve signal isolation and transmission.
2.Impedance matching: In electronic circuits, impedance refers to the combination of resistance, inductance and capacitance. Impedance matching refers to adjusting the component parameters of the circuit to make the impedances at the input and output ends equal, thereby improving the efficiency of the circuit. The electronic transformer can adjust its own impedance to achieve impedance matching between the input and output ends, so that signals can be transmitted efficiently in the circuit.
3.Filtering: H1102NL can also be used to filter signals. A filter is an electronic component that can adjust the frequency distribution of the signal to remove unnecessary frequency components, thereby improving the quality of the signal. Electronic transformers can achieve specific filtering functions by designing their own structures and parameters.
Ⅱ.Working principle of H1102NL
1.Ground loop isolation: In electronic equipment and systems, the ground (or zero potential reference point) often needs to be connected to the power supply and signal lines of various devices. However, if there is a potential difference between different devices or lines, it may cause current to flow from high potential to low potential, thus forming a ground loop. This situation may cause the device to malfunction or even cause damage to the device. By using a transformer such as the H1102NL, you can avoid this problem by isolating the device's power and signal from ground.
2.Signal conversion and electrical isolation: H1102NL transformer realizes the conversion of voltage, current or impedance between input and output signals through its magnetic material and winding design. At the same time, due to the isolation effect of the transformer, direct electrical connections between different circuits or devices can be prevented, thereby avoiding problems such as interference and electrical breakdown. This electrical isolation is critical in medical, telecommunications, and many other applications.
3.Impedance matching: As mentioned earlier, the H1102NL transformer can achieve impedance matching between the input and output circuits by adjusting its own impedance. This matching is important for efficient data transmission because it reduces signal reflections and distortion, improving signal quality.
4.Other functions: In addition to the above main functions, the H1102NL transformer can also be used to perform many other tasks, such as regulating voltage, filtering noise, transmitting power, etc. The specific application depends on the design of the transformer and its use in the specific circuit.

Ⅲ.Advantages of H1102NL
1.High frequency performance: H1102NL musical instruments usually have better high frequency response and can handle higher frequency signals. This enables it to transmit and transform signals over a wide frequency range. The high frequency response is primarily determined by the magnetic material and winding design of the transformer. In the field of communication and data transmission, transformers with excellent high-frequency performance can support high-speed data transmission. For example, digital signals usually use high frequency as the carrier, and are sent and received through transformers such as H1102NL. The high-frequency performance of the transformer can ensure that the signal maintains integrity during high-speed transmission and reduces signal distortion and noise. The excellent high-frequency performance of the H1102NL transformer also allows it to play an important role in broadband applications. Broadband communications typically involve data transmission over a higher frequency range, so broadband transformers need to be able to maintain stable performance over a wide frequency range. The high frequency response and stability of the H1102NL transformer make it suitable for various broadband communication and data transmission systems. The H1102NL transformer with good high frequency performance can provide better signal integrity. During high-speed data transmission, signal integrity issues can lead to data errors or loss. Transformers with excellent high-frequency performance can reduce signal distortion and noise, thereby ensuring data integrity and accuracy.
2.Signal conversion: H1102NL transformer can convert the input signal into the required output signal, making it suitable for different applications or standards.
3.Impedance matching: It can be used to match the impedance between different circuits to ensure efficient signal transmission and reduce signal reflection.
4.Electrical isolation: H1102NL transformer provides electrical isolation, which can effectively isolate the input and output circuits, reduce interference and noise, and improve the stability and reliability of the circuit.
5.Resistant to shock and vibration: This type of transformer usually has a rugged outer shell and internal construction that can withstand mechanical shock and vibration, making it suitable for industrial environments.
6.Reliability: Due to its design and manufacturing quality, H1102NL transformers are generally very reliable and work stably for a long time.
7.High temperature operation: Some H1102NL transformers have high temperature operation capabilities and are suitable for high temperature environments.
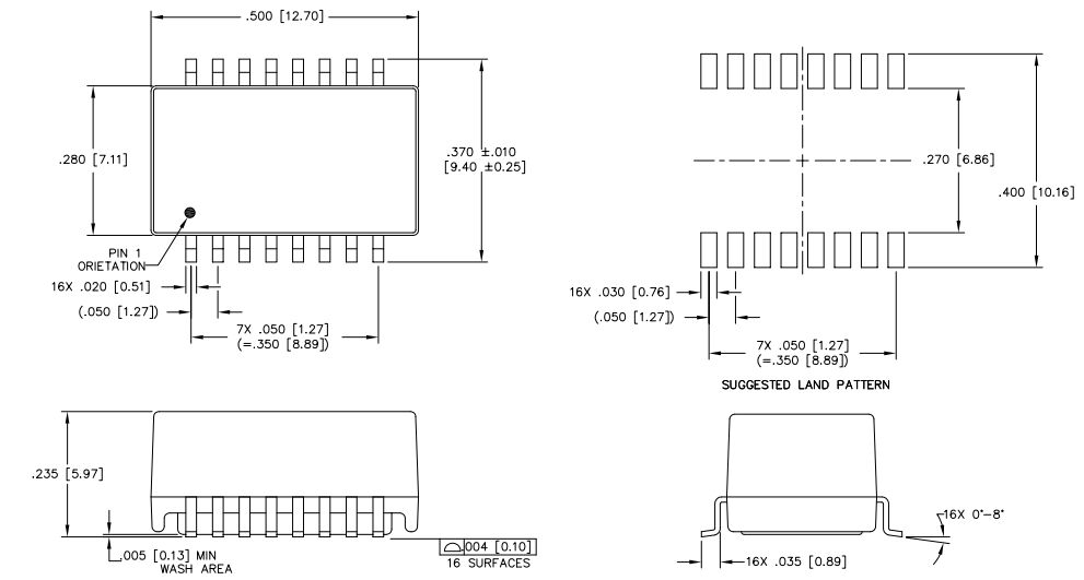
Ⅳ.H1102NL specific dimensional drawing

V.Main parameters of H1102NL
•Frequency range:100 kHz to 100 MHz
•Inductor:350 uH
•Insulation voltage:1.5 kV
•Minimum operating temperature:0°C
•Maximum operating temperature:+70°C
•Length:12.7 mm
•Width:9.53 mm
•Height:6.09 mm
•Weight:0.85 g
•Number of channels:Single
•Termination type:SMD/SMT
•Subcategory:Transformers
•Transformer Type:Isolation and Data Interface
•Installation type:surface mount type
Ⅵ.H1102NL installation and connection methods
1.Location installation: Choose an appropriate location to ensure that the transformer is installed firmly and is not susceptible to vibration and mechanical shock. Make sure there is adequate ventilation to help dissipate heat.
2.Electrical connection: Connect the primary and secondary windings of the transformer. Typically, the primary winding is connected to the input power supply and the secondary winding is connected to the output circuit. Make sure to match the voltage level and polarity correctly. Connections should be made using insulated cables or wires.
3.Insulation and safety: Ensure proper insulation between windings and between windings and housing to prevent electrical short circuits. Also, make sure the transformer's casing does not come into contact with other conductive materials.
4.Ground connection: Typically, the transformer's casing needs to be connected to the ground to provide additional safety. Make sure the ground wire connection is reliable.
5.Cooling and heat dissipation: If the H1102NL transformer is operated under high load, ensure that appropriate cooling and heat dissipation is provided to prevent overheating. This can be achieved through ventilation or other cooling equipment.
6.Safety markings: Add appropriate markings and labels to the transformer to indicate input and output terminals, rated voltage and other important information.
7.Testing and verification: Before starting the system, perform necessary testing and verification to ensure that the transformer is properly connected and working properly.
Ⅶ.H1102NL parameter specifications

Ⅷ.Magnetic materials of H1102NL transformer
1.Ferrite: Some modern transformers use ferrite material, which is more effective for high frequency signals. Ferrite is an insulating material that responds well to high-frequency magnetic fields and is therefore often used in communications and high-frequency applications.
2.Iron core: Traditional transformers usually use iron cores, in which ferromagnetic materials are used to increase the magnetic induction intensity and improve the efficiency of the transformer. The iron core is usually a silicon steel sheet or other similar magnetic alloy.
Frequently Asked Questions
1.What are the performance features of H1102NL?
H1102NL provides electrical isolation, which can effectively isolate input and output circuits, reduce interference and noise, and improve circuit stability. The H1102NL transformer is also capable of converting input signals into required output signals for different applications or standards.
2.Are there any special application considerations for the H1102NL?
Be sure to use the transformer within the temperature range for which it was designed. If you need to use it in a high or low temperature environment, make sure to choose the appropriate model and material. Choose an appropriate location to install the transformer and avoid installing it in an environment subject to excessive vibration or mechanical shock.
3.What is the use of H1102NL?
A component called an Ethernet transformer is used to prevent it from affecting the sending and receiving circuits. The H1102NL is one such transformer with two magnetic elements for the transmit and receive sections and common mode protection.